| Bastelseite Display + Antriebe Sensoren C++ | |
Ein Joystick besteht aus zwei Potentiometern. Demnach benötigen wir zwei Analoge Eingänge:
A0 und A1.

Die 5 Anschlüsse des Joysticks
Ein Poti am Arduino anzuschließen ist nicht schwer:
einfach an einem Ende GND (-) und an das andere Ende 5V (+) anhängen. Die Mittelanzapfung des Potis ist dann der Ausgang, der an A0 oder A1 geht.
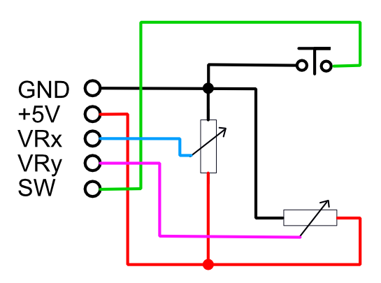
Keine großen Geheimnisse birgt das kleine Innenleben des Joysticks:
Beide Potis liegen an GND und an +5V. Die Mittelanzapfung geht über VRx und VRy an A0 und A1 vom Arduino.
Der Taster schaltet beim Drücken auf Masse / GND.
Der obere Anschluss (GND) geht an GND am Arduino, ebenso +5V an die 5V am Arduino.
VRx (blau) geht an A0, VRy (violett) geht an A1.
Der Taster (SW) grün) kommt an Pin2. Er wird jedoch erst im zweiten INO benötigt.
Kopiere einfach den Sketch und probiere ihn aus!
Schalte doch einfach mal in der IDE statt Serielle Ausgabe auf den Seriellen Plotter!
Öffnet den Sketch in einem eigenen TAB: joystick1.ino
/* joystick1.ino
*
* Auslesen eines Joysticks
* an A0 und A1
*
* Download: https://www.brixelweb.de
*/
int SensorA = 0;
int SensorB = 0;
void setup()
{
Serial.begin(9600);
}
void loop()
{
SensorA = analogRead(0); // Auslesen des Wertes, der an A0 anliegt.
SensorB = analogRead(1); // Auslesen des Wertes, der an A1 anliegt.
Serial.print(" Oben/Unten ");
Serial.print(SensorA, DEC); // Darstellung des Wertes als Dezimalzahl
Serial.print(" Links/Rechts ");
Serial.println(SensorB, DEC); // Darstellung des Wertes als Dezimalzahl
}
Das kommt beim Seriellen Plotter dabei raus, wenn etwas hin und her gedreht wird:

Beim Stöbern im Web kam ich auch auf folgende Seite: draeger-it.blog/arduino-lektion-38-joystick/
Hier wird sehr schön erklärt, wie der Joystick samt Schalter auszulesen ist.
Die Ausgabe seines Sketches über den Seriellen Monitor sieht dann so aus:

Schaltung und Aufbau wie im oberen Beispiel! Öffnet den obigen Sketch dazu in einem eigenen TAB: joystick-2.ino