| Bastelseite Bauteile Formeln Grundlagen | |
... englisch: Integrated Circuit, deutsch: Integrierter Schaltkreis
Die meisten ICs befinden sich in einem DIL-Gehäuse. Dies heißt DIL = Dual In-Line, sinngemäß übersetzt: zwei in Reihe - das trifft auf die Anschlußbeinchen zu. Ebenso findet man die Bezeichnung DIP (Dual In-Line Package) was genau das gleiche bedeutet.
Die Bauform ist ein Gehäuse mit Pins zum Einstecken in eine Fassung oder Durchstecken auf einer Platine. Das Raster der Anschlüsse (Pinabstände) beträgt 2.54 mm (also 0.1" Zoll) und der Pinabstand Pinreihe zu Pinreihe 7.62 mm (0.3"), 15.24 mm (0.6") oder 22.86 mm (0.9") je nach Größe des ICs.

Sehr viele ICs haben an einer Stirnseite eine halbrunde Einkerbung. Der Anschlußpin links davon ist die Nummer 1. Die folgende Nummerierung geht gegen den Uhrzeigersinn.
Andere ICs haben z.B. keine Einkerbung, besitzen dafür an Pin 1 eine Markierung - entweder eine Mulde oder eine kleine Erhebung am Gehäuse.

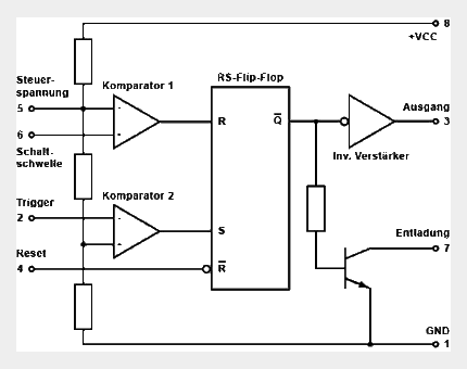
Ein direktes Schaltzeichen gibt es nicht, da jedes IC ein anderes Innenleben hat.
Dafür rechts das Schaltzeichen des wohl berühmtesten ICs: Timer-IC "NE 555"
